Pilotně ovládané zpětné ventily EATON VICKERS DGMPC DGMPC-5-AB DGMPC-5N-AB DGMPC-5P-AB
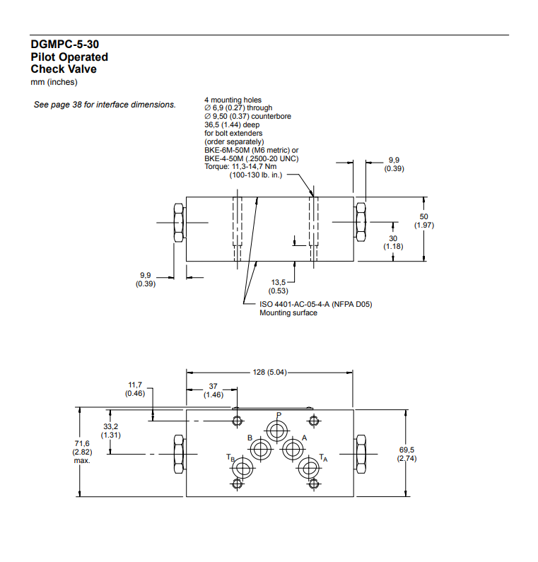
Tyto ventily jsou jednoduché nebo dvojité kontrolní jednotky. Jednotky dvojité kontroly mají identické kontrolní prvky umístěné v liniích otvoru válce "A" a "B". Ventilové talíře jsou do otevřené polohy posouvány centrálním pilotním ovládacím bazénem, který se pohybuje k jedné nebo druhé v závislosti na tom, který port je natlakován. Zpětný ventil umístěný ve zpětném okruhu se otevírá provozním tlakem v primárním okruhu. Když je tlak v pilotním potrubí odvzdušněn, zpětný ventil zůstane zavřený. K dispozici jsou tlaky prasknutí (otevření) zpětného ventilu 1 bar (15 psi), 2,5 bar (36 psi) a 5 bar (73 psi)

Dodáváme komponenty špičkových výrobců jako Bosch Rexroth, Rexroth
Indramat, Parker Hannifin, Moog, Eaton Vickers, Denison, Hawe, Sunfab, Yuken, Hydac, Kawasaki/KPM, Staffa, Voith, Sauer Danfoss, Hydro Leduc, Calzoni, Atos, Bucher, Oilgear, Tokyo Keiki, Schneider KREUZNACH, Linde, Marzocchi, Eckerle, HBM, Siemens, Schneider Electronic, Sick, Baumer, Herion, Norgren, Aventics .....
Neváhejte se nás zeptat, pokud máte zájem o naše prodeje. BAILE HYDRAULIC je váš milý
partner v oblasti hydrauliky a elektroniky. Více podrobností, navštivte nás
R
| Pilotně ovládané zpětné ventily EATON VICKERS DGMPC |



|
|
DG4V-3-0AMUA6-60 DG4V.3-0AM-UED6-60 DG4V3-0AMUG7-60 DG4V3-0A-MU-H 7-60 DG4V-3-0B-MUA6-60 DG4V-30BMUED6-60 DG4V30B-MUG7-60 DG4V-30B-MU-H 7-60 DG4V30CMU-A6-60 DG4V-3-0CMUED6-60DG4V3-0CM-UG7-60 DG4V30CMU-H7-60 DG4V{{ 48}}AMUA6-60 DG4V-3-2AM-UED6-60 DG4V-3-2A-MU-G7-60 DG4V3-2A-MUH{{ 63}} DG4V-3-2B-MU-A6-60 DG4V-3-2BMU-ED6-60 DG4V-3-2B-MUG760 DG4V-3-2B- MUH760 DG4V3-2CMU-A6-60 DG4V-3-2CMUED6-60 DG4V-3-2CMUG7-60 DG4V3-2C-MU-H 7-60 DG4V3-2N-MUA6-60 DG4V3-2NM-UED6-60 DG4V3-2N-MUG760 DG4V3-2N- MU-H7-60 DG4V36CM-UA6-60 DG4V-3-6C-MUED6-60 DG4V3-6CM-UG7-60 DG4V-36 CMU-H7-60 DG4V3-8CVMUA6-61 DG4V3-8CVMUED6-61 DG4V3-8CVMUG7-61 DG4V-3-8 CVMUH761
DGMC-3-PT-BW-41DGMC-3-PT-CW-41 DGMC-3-PT-GW-41
DGMC-3-ATGW-41
DGMC2-3-AB-BWBABW-41 DGMC2-3-AB-CWBACW-41 DGMC2-3-AB-GWBA-GW-41
DGMC23-AT-CWBT-CW-4 DGMA-3-B-10
DGMA-3-C1-10
DGMA-3-C210
DCAM-3-01-10R
DGMDC3-YPK-41
DGMDC-3-XTK-4
DGMPC-3-ABK-41
DGMPC-3BAK-40
DGMPC-3-ABK-BAK-41
DGMF-3-ZPTW-41
DGMF-3-ZP2W-41
DGMF-3-ZT1W-41
DMFFN-3-XA2W-41
DMFFN-3-X-AWB1W-41
DMFFN-3-X-A2WB2W-41
DGMF-3-YATWB1W-41
DGMF-3-YA2W-B2W-41
DGMX2-3-PA-BW-B-40DGMX2-3-PAFW-B-40
DGMX2-3-PB-CWB-40
DGMX2-3-PPAWB-40 DGMX2-3-PPBWB-40 DGMX2-3-PPCWB-40 DGMX2-3-PPFWB-40
DGMX2-3-PABW-B-40DGMX2-3-PAFW-B-40 DGMX2-3-PB-CWB-40 DGMX2-3-PPAWB{ {10}} DGMX2-3-PPBWB-40 DGMX2-3-PPCWB-40 DGMX2-3PPFWB-40
Populární Tagy: pilotně ovládané zpětné ventily eaton vickers dgmpc dgmpc-5-ab dgmpc-5n-ab dgmpc-5p-ab















